Thép góc không đều cạnh, hay còn biết đến với tên gọi thép hình L, là một loại vật liệu xây dựng nổi bật nhờ thiết kế đặc trưng và phạm vi ứng dụng đa dạng trong các ngành công nghiệp cũng như xây dựng. Điểm nổi bật của thép hình L nằm ở hai cánh có độ dài khác nhau, tạo thành góc vuông, giúp tăng cường khả năng chịu lực và thích hợp cho nhiều loại kết cấu. Hãy cùng Giá Thép Hôm Nay tìm hiểu sâu hơn về thép hình L, các đặc tính ưu việt và những cách thức sử dụng linh hoạt của nó qua nội dung sau.

Thép Hình L Là Gì? Đặc Điểm Và Ứng Dụng Chính
Thép hình L, còn được gọi là thép góc hoặc thép hình V lệch, là loại thép có dạng cắt ngang giống chữ “L” với hai cánh vuông góc. Đây là một trong những sản phẩm thép hình được ưa chuộng nhất trong lĩnh vực xây dựng và chế tạo cơ khí, nhờ vào sự tiện lợi và hiệu suất chịu lực vượt trội.
Thép hình L thường được chọn cho các dự án cần khả năng chống chịu tải trọng lớn, nhờ đặc tính chống áp lực và rung lắc mạnh mẽ. Dù có hình dáng gần giống thép hình chữ V, loại thép này vẫn sở hữu những ưu điểm riêng, giúp nó trở thành lựa chọn hàng đầu trong nhiều tình huống.
Sự linh hoạt và khả năng thích nghi cao của thép hình L đã biến nó thành yếu tố thiết yếu trong ngành xây dựng cũng như cơ khí.
Xem thêm : Báo giá thép hình I, H, U, V giá tốt chất lượng
Giá Thép Hình L
| STT | TÊN SẢN PHẨM / QUY CÁCH | ĐỘ DÀI (M) | THƯƠNG HIỆU / XUẤT XỨ | TRỌNG LƯỢNG (KG/M) | GIÁ THÉP L THAM KHẢO (VND / KG) |
|---|---|---|---|---|---|
| 1 | Thép hình L25x25x3 ly (góc đều) | 6 | Hòa Phát | 1.12 | 16.500 - 21.000 |
| 2 | Thép hình L25x25x4 ly (góc đều) | 6 | An Khánh | 1.46 | 15.000 - 19.500 |
| 3 | Thép hình L25x25x3 ly (góc đều) | 6 | Trung Quốc (TQ) | 1.12 | 14.500 - 18.500 |
| 4 | Thép hình L30x30x3 ly (góc đều) | 6 | Hòa Phát | 1.36 | 16.500 - 21.000 |
| 5 | Thép hình L30x30x4 ly (góc đều) | 6 | An Khánh | 1.78 | 15.000 - 19.500 |
| 6 | Thép hình L40x40x4 ly (góc đều) | 6 | Hòa Phát | 2.42 | 16.500 - 21.000 |
| 7 | Thép hình L40x40x5 ly (góc đều) | 6 | An Khánh | 2.97 | 15.000 - 19.500 |
| 8 | Thép hình L40x40x3 ly (góc đều) | 6 | Trung Quốc (TQ) | 1.85 | 14.500 - 18.500 |
| 9 | Thép hình L50x50x5 ly (góc đều) | 6 | Hòa Phát | 3.77 | 16.500 - 21.000 |
| 10 | Thép hình L50x50x6 ly (góc đều) | 6 | An Khánh | 4.47 | 15.000 - 19.500 |
| 11 | Thép hình L50x30x4 ly (góc không đều) | 6 | Trung Quốc (TQ) | 2.40 | 14.500 - 18.500 |
| 12 | Thép hình L50x50x5 ly (góc đều) | 6 | Hòa Phát | 3.77 | 16.500 - 21.000 |
| 13 | Thép hình L60x60x5 ly (góc đều) | 6 | Hòa Phát | 4.57 | 16.500 - 21.000 |
| 14 | Thép hình L60x60x6 ly (góc đều) | 6 | An Khánh | 5.42 | 15.000 - 19.500 |
| 15 | Thép hình L60x40x5 ly (góc không đều) | 6 | Trung Quốc (TQ) | 3.50 | 14.500 - 18.500 |
| 16 | Thép hình L75x75x6 ly (góc đều) | 6 | Hòa Phát | 6.85 | 16.500 - 21.000 |
| 17 | Thép hình L75x75x8 ly (góc đều) | 6 | An Khánh | 8.99 | 15.000 - 19.500 |
| 18 | Thép hình L75x50x6 ly (góc không đều) | 6 | Hòa Phát | 5.70 | 16.500 - 21.000 |
| 19 | Thép hình L90x90x7 ly (góc đều) | 6 | Hòa Phát | 9.60 | 16.500 - 21.000 |
| 20 | Thép hình L90x90x8 ly (góc đều) | 6 | An Khánh | 10.90 | 15.000 - 19.500 |
| 21 | Thép hình L100x100x8 ly (góc đều) | 6 | Hòa Phát | 12.20 | 16.500 - 21.000 |
| 22 | Thép hình L100x100x10 ly (góc đều) | 6 | An Khánh | 15.10 | 15.000 - 19.500 |
| 23 | Thép hình L100x75x8 ly (góc không đều) | 6 | Trung Quốc (TQ) | 9.80 | 14.500 - 18.500 |
| 24 | Thép hình L120x120x10 ly (góc đều) | 6 | Hòa Phát | 18.20 | 16.500 - 21.000 |
| 25 | Thép hình L120x120x12 ly (góc đều) | 6 | An Khánh | 21.60 | 15.000 - 19.500 |
| 26 | Thép hình L150x150x12 ly (góc đều) | 6 | Hòa Phát / POSCO | 27.30 | 17.000 - 22.000 |
| 27 | Thép hình L150x150x15 ly (góc đều) | 6 | Nhập khẩu | 33.90 | 18.000 - 23.500 |
| 28 | Thép hình L200x200x15 ly (góc đều) | 6 | Nhập khẩu | 45.60 | 18.500 - 24.000 |
| 29 | Thép hình L200x200x18 ly (góc đều) | 6 | Nhập khẩu | 54.30 | 18.500 - 24.000 |
Các Loại Thép Hình Chữ L Phổ Biến Trên Thị Trường
Thép hình chữ L được áp dụng rộng rãi trong đa dạng công trình nhờ khả năng chịu áp lực cao và thích ứng tốt với điều kiện thời tiết khắc nghiệt. Dưới đây là các loại thép hình L chính:
Thép Hình L Mạ Kẽm
Do khí hậu nhiệt đới ẩm của Việt Nam, sắt thép dễ bị oxy hóa và gỉ sét, ảnh hưởng đến độ bền công trình. Thép Góc L mạ kẽm nhúng nóng được phát triển để giải quyết vấn đề này. Quy trình mạ kẽm tạo lớp bảo vệ dày, ngăn chặn tác động từ môi trường bên ngoài, giúp kéo dài tuổi thọ sản phẩm. Ngày nay, loại thép này rất phổ biến nhờ khả năng chống ăn mòn hiệu quả.
Có thể bạn quan tâm:
- Thép Hình H: Đặc Điểm, Quy Cách Kích Thước, Bảng Giá
- Thép Hình I: Giá Bán, Đặc Điểm, Quy Cách Và Ứng Dụng
- Thép Hình V: Đặc Điểm, Quy Cách Và Ứng Dụng Giá Bán
Thép Hình L Mạ Kẽm Nhúng Nóng
Quá trình sản xuất thép hình L mạ kẽm nhúng nóng tạo ra lớp mạ dày, giúp che chắn hoàn toàn khỏi các yếu tố môi trường bên ngoài sau khi hoàn thiện.
Thép Hình L Đen
Thép hình L đen mang màu đen hoặc xanh đen do phương pháp làm nguội bằng nước trong giai đoạn cán phôi. Loại này được ưa thích nhờ tính kinh tế và ứng dụng thực tiễn cao.
Mỗi loại thép hình chữ L đều có đặc trưng riêng, phù hợp với các yêu cầu cụ thể của từng dự án. Như tên gọi, Thép Góc L đen có màu đen hoặc xanh đen do quá trình làm nguội bằng nước trong cán phôi. Loại này được ưa chuộng nhờ giá thành phải chăng và ứng dụng linh hoạt trong nhiều công trình thực tế.
Tiêu Chuẩn Và Quy Cách Sản Xuất Thép Hình L
Thép hình L không đều cạnh được chế tạo theo nhiều tiêu chuẩn quốc tế để đáp ứng nhu cầu đa dạng của các công trình. Một số mác thép phổ biến bao gồm:
- Nga: CT3 và tương đương, theo GOST 380-88.
- Nhật Bản: SS400 và các loại khác, theo JIS G3101, SB410, 3010.
- Trung Quốc: SS400, Q235B và tương đương, theo JIS G3101, SB410, 3010.
- Mỹ: A36 và các loại khác, theo ASTM A36.
Giá cả của từng mác thép phụ thuộc vào nguồn gốc, chất lượng và quy trình sản xuất. Đặc biệt, mác thép Trung Quốc được sử dụng nhiều nhất nhờ giá cạnh tranh, đa dạng mẫu mã và dễ tiếp cận.
Ứng Dụng Thực Tế Của Thép Hình Chữ L
Nhờ ưu điểm vượt trội, Thép Chữ L được sử dụng rộng rãi trong các ngành công nghiệp, xây dựng dân dụng và công nghiệp. Nó lý tưởng cho nhà máy hóa chất, hệ thống dẫn ống nước, dầu khí, khung cầu đường, nhà xưởng, tàu thuyền, bến phà và nhiều ứng dụng khác. Trọng lượng nhẹ, cấu trúc đối xứng và độ bền cao làm tăng tính khả thi cho các dự án.

Các ưu điểm chính bao gồm:
- Độ cứng cao, chống va đập hiệu quả.
- Chịu được thời tiết khắc nghiệt tại Việt Nam.
- Kháng ăn mòn từ hóa chất và muối biển.
- Đa dạng kích thước phù hợp cho mọi quy mô công trình.
- Ứng dụng rộng trong xây dựng và công nghiệp nhờ độ vững chắc và tuổi thọ dài.
- Nhập khẩu từ các nước như Trung Quốc, Brazil, Nga, Hàn Quốc, Nhật Bản, Thái Lan, Indonesia.
- Sử dụng trong nhà thép tiền chế, khung máy móc, chế tạo cơ khí, công nghiệp nặng.
- Phù hợp cho công trình công nghiệp, nông nghiệp, dân dụng như cầu thang, máy móc và đóng tàu.
Vật liệu chính: Các mác thép SS400/A36/Q235A/S235JR/A572/S355/Gr.A và nhiều loại khác.
Kích Thước Và Cách Tính Khối Lượng Thép Hình L
Thép chữ L có nhiều kích thước khác nhau, đáp ứng nhu cầu kỹ thuật đa dạng của các công trình từ nhỏ đến lớn. Sự phong phú này cho phép kỹ sư và nhà thiết kế chọn lựa tối ưu, nâng cao hiệu quả thi công.
Công Thức Tính Khối Lượng
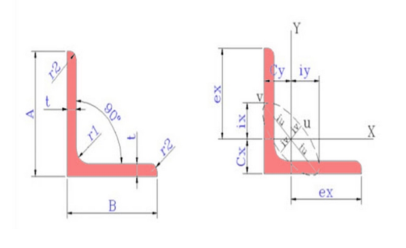
Thép Chữ L có kích thước đa dạng, phù hợp với yêu cầu kỹ thuật của từng công trình. Trong đó, A là chiều rộng cánh lớn, B là chiều rộng cánh nhỏ, t là chiều dày cánh, R là bán kính lượn trong, r là bán kính lượn cánh.
Ví dụ ký hiệu: Thép L 60x40x5, cấp chính xác B: L60x40x5B theo TCVN 1657-1993.
Diện tích mặt cắt ngang: S = [t(A + B – t) + 0.2416(R² – 2r²)] * 1/100.
Khối lượng 1m: Tính theo kích thước danh nghĩa với mật độ thép 7.85 kg/dm³.
Công thức tổng quát: Khối lượng (m) = Diện tích mặt cắt (S) × Chiều dài (L) × Mật độ thép.
Bảng Tra Thép Hình L Chi Tiết
Bảng tra thép hình chữ L cung cấp dữ liệu về kích thước, trọng lượng và diện tích cắt ngang, hỗ trợ lựa chọn chính xác cho kỹ sư và nhà thầu.
| Kích thước (mm) | Chiều dày (mm) | Trọng lượng (kg/m) | Diện tích mặt cắt (cm²) |
|---|---|---|---|
| L20x20x2 | 2.0 | 0.59 | 0.75 |
| L30x30x3 | 3.0 | 1.39 | 1.78 |
| L40x40x4 | 4.0 | 2.55 | 3.25 |
| L50x50x5 | 5.0 | 3.99 | 5.08 |
| L60x60x6 | 6.0 | 5.97 | 7.60 |
| L70x70x7 | 7.0 | 8.21 | 10.46 |
| L80x80x8 | 8.0 | 10.73 | 13.67 |
| L100x100x10 | 10.0 | 17.91 | 22.83 |
| L150x150x12 | 12.0 | 36.24 | 46.19 |
Với thông tin chi tiết trên, bạn đã nắm được tổng quan về thép hình L. Giá Thép Hôm Nay mong rằng các dữ liệu về quy cách, giá cả, đặc tính và ứng dụng sẽ hỗ trợ bạn chọn lựa sản phẩm phù hợp cho dự án.


